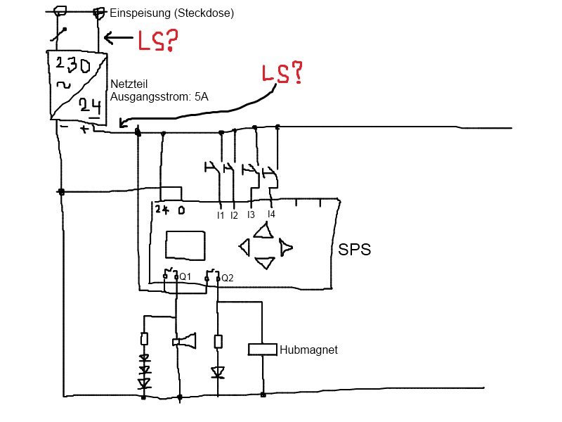
Ein Netzfreischalter (auch Feldfreischalter, Netzfeld-Abschaltautomat, Netzabkoppler sowie ähnliche Bezeichnungen) ist ein elektrisches Schaltelement, das nach Abschalten aller angeschlossenen Verbraucher in einem Stromkreis dort die Netzspannung abschalten und nach Einschalten eines Verbrauchers wieder einschalten kann. Der Einsatz entsprechender Technik ist in der Regel durch die Ansicht motiviert, dass Elektrosmog schädlich sei. Des Weiteren fungiert er als Abschalter von Zusatzstromkreisen (z. B. Leuchten, Steckdosen) innerhalb IT-empfindlicher Räume, wenn diese nicht genutzt werden und dann damit die elektrischen Felder minimiert werden, obgleich meist auch geschirmte Kabel verwendet werden.
Begriff
Im elektrotechnischen Sinne ist der Begriff Netzfreischalter für diese Schaltelemente falsch. Mit dem Begriff des Freischaltens wird in der Elektrotechnik das allpolige Trennen von elektrischen Anlagen oder Verbrauchern von spannungsführenden Teilen beschrieben. Zu dieser sicherheitsrelevanten Aufgabe können Netzfreischalter nicht dienen.
Verwendung
Mit der Abschaltung der Wechselspannung werden elektrische Wechselfelder beseitigt, die auch vorhanden sind, wenn kein Strom fließt. Die Leitung wird nach dem Abschalten mit einer schwachen Gleichspannung (1,5 V – 12 V je nach Hersteller) überwacht; sobald ein Verbraucher eingeschaltet wird, wird auch die Netzspannung wieder zugeschaltet. Das funktioniert nur mit Geräten, die sich komplett ausschalten lassen. Wegen der Ein/Ausschaltschwelle sollten "Standby"-Verbraucher (Fernseher, netzbetriebene Uhren, …) nicht an Stromkreisen mit eingebauten Netzfreischalterelementen betrieben werden, da dann entweder die Abschaltfunktion nicht anspricht und somit der erhoffte Effekt ausbleibt, oder das angeschlossene Gerät wird ausgeschaltet, da sein Stromverbrauch unter der Abschaltschwelle liegt.
Eine Gefahr stellt bei Vorhandensein von Netzfreischaltern die Benutzung handelsüblicher Phasenprüfer dar, da diese die Testspannungen erst ab ca. 100 V anzeigen und, da diese sehr geringen Strom ziehen, das Netz auch nicht angeschaltet wird. Ist das Netz abgeschaltet, da kein anderer Verbraucher Strom zieht, zeigt der Phasenprüfer Spannungsfreiheit an. Kommt es nun zur Berührung und damit zur Erdung der vermeintlich spannungsfreien Bauteile, schaltet der Netzfreischalter das Netz an und verursacht einen Körperschluss und eventuell einen Stromunfall. Das Vorhandensein eines Netzfreischalters ist nur in der Elektroverteilung erkennbar.
Funktionsprinzip
Von elektrischen Installationen geht ein elektrisches Feld aufgrund der anliegenden Spannung und ein magnetisches Feld aufgrund des fließenden Stroms aus. Die beiden Felder können im Nahfeld, das heißt bei Abständen weit unterhalb der Wellenlänge (6000 km bei einer Netzfrequenz von 50 Hz), getrennt betrachtet werden. Beim Abschalten des Verbrauchers verschwindet das magnetische Feld von selbst. Ein Netzfreischalter verhindert dann zusätzlich das elektrische Feld. Dabei ist zu bedenken, dass bei Installationen unter Putz ohnehin nur ein äußerst geringer Teil des elektrischen Feldes aus der Wand austreten kann.
Einzelnachweise




